光束整形器,分束器,微透镜,离轴抛物面镜,NOIR激光防护眼镜,太阳能模拟器,显微镜载物台,激光器,光谱仪,红外热像仪,激光晶体
English购物车网站地图
服务热线:0755-84870203
中文English
服务热线:0755-84870203
您当前的位置:首页 > 技术中心 > 技术文档

Optosigma大行程步进电机物镜驱动器:SGSP-OBL-3,高精度电动对焦,适配显微镜与自动对焦系统

作者:肖zy 时间:2026-03-17

Optosigma大行程步进电机驱动 物镜驱动器SGSP-OBL-3。步进电机驱动,方便选配西格玛光机公司的多款控制器。外形小,分辨率高,特别适用于和显微镜或自动对焦系统配合使用。可用于正立型,倒立型显微镜。备有多款专用连接件,便于和各款显微镜以及物镜配合使用。Z轴物镜驱动器和显微镜或物镜组合时,需要专用的连接部件。其分辨率整步1μm半步0.5μm,行程3mm,定位精度5μm重复定位精度2μm,承载能力4.9N,最大速度1mm/sec,运动平行度2μm偏摆15″,具体可参照后文参数表。


西格玛光机物镜聚焦驱动器SGSP-OBL-3技术指标:

项目

规格参数

型号

SGSP-OBL-3

行程 (mm)

3

台面尺寸 (mm)

(组装连接件)

丝杠 (mm)

精密研磨丝杠 直径 φ6 导程 0.5

导轨形式

十字交叉滚柱

主要材料

铝合金

表面处理

白色氧化

自重 (kg)

0.4

分辨率 (μm/脉冲)

整步:1 / 半步:0.5

最大速度 (mm/sec)

1

定位精度 (μm)

5

重复定位精度 (μm)

2

承载能力 (N)

4.90.5 kgf

扭矩刚度 (°/N·cm)

空行程 (μm)

2

传动间隙 (μm)

1

平行度 (μm)

运动平行度 (μm)

2

倍率 (°) / 偏摆 (°)

15 / 15

传感器型号

微型光电传感器:GP1S092HCPI(复普(株))

极限位置传感器

有(常闭)

原点传感器

近接原点传感器

电机类型

5相步进电机 0.35A/相(ORIENTAL MOTOR(株))

电机型号

PK513PA-C21□20mm

步距角

0.72°

传感器电源电压

DC+5~+24V±10%

消耗电流

40mA以下(单个传感器20mA以下)

输出端电气特性

NPN集电极开路输出 DC30V以下 50mA以下

信号含义

遮光时:输出晶体管OFF(截止)

推荐驱动器型号

SG-5MA, MC-S0514ZU, SG-514MSC

推荐控制器型号

SHOT-702, GIP-101, SHOT-302GS, SHOT-304GS, HIT-M·HIT-S, PGC-04-U

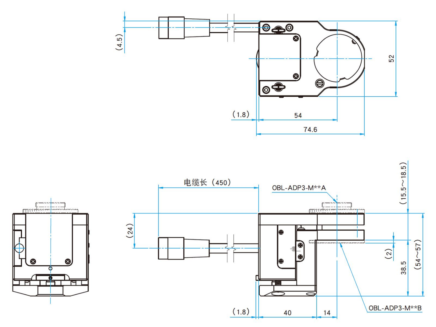
Optosigma/西格玛光机Z轴物镜驱动器,物镜聚焦驱动器SGSP-OBL-3外形图及接线图


西格玛光机/Optosigma Z轴物镜驱动器与控制器型号搭配



产品导航 : 光束整形器分束器螺旋相位板微透镜阵列径向偏振片(S波片)红外观察仪激光防护眼镜显微镜载物台显微镜自动对焦量子级联激光器266nm激光器光斑分析仪光束质量分析仪激光晶体电控位移台主动被动隔震台太赫兹源太赫兹相机

友情链接 : 维尔克斯光电  中国供应商                                                                                                         中科光学


版权所有:深圳海纳光学有限公司 粤ICP备18089606号
电话:0755-84870203 邮箱:sales@highlightoptics.com