作者:郭sy 时间:2026-03-27
我司推出4WL-ns-580/590/290/295四波长纳秒激光器、SFL-CW-1064单频连续激光器、ML-1064微片激光器、ML-HE-ns-1064大能量微片纳秒激光器和C-IR-ns-1064紧凑型低重频纳秒激光器。
四波长纳秒激光器波长是580nm、590nm、290nm和295nm,最大单脉冲能量100μJ,高重复频率4k-10kHz,脉冲宽度10ns。多波长激光器的光束质量因子小于1.5,工作温度15-45°。
微片激光器波长是1064nm,最大单脉冲能量50μJ,重复频率可以调节<10kHz,脉冲宽度1-10ns。
单频连续激光器波长是1064nm,连续激光,线宽<10MHz,最大功率5W。
大能量微片纳秒激光器波长是1064nm,最大单脉冲能量400μJ,重复频率可以调节<10kHz,脉冲宽度1-10ns。
紧凑型低重频纳秒激光器波长是1064nm,最大单脉冲能量50mJ,重复频率可以调节1-100Hz,脉冲宽度<10ns。
四波长纳秒激光器规格参数
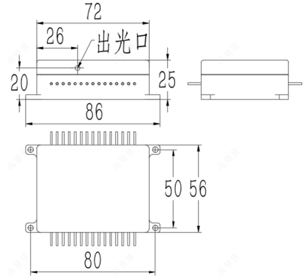
4WL-ns-580/590/290/295四波长纳秒激光器重复频率4k-10kHz,机型紧凑,性能稳定。
|
四波长纳秒激光器型号 |
4WL-ns-580/590/290/295 |
|
波长 |
580nm/590nm/290nm/295nm |
|
重复频率 |
4Hz-10kHz(可调) |
|
最大单脉冲能量 |
100μJ |
|
脉冲宽度 |
10ns |
|
光斑直径(mm) |
<20 @1/e^2(扩束) |
|
光束发散角 |
<1.5mrad |
|
光束质量M2 |
<1.5 |
|
偏振特性 |
>100:1 |
|
功率稳定性 |
≤3% |
|
多波长激光器系统功耗 |
≤300W |
|
工作温度 |
15-45℃ |
多波长激光器应用领域
-环境监测
-激光医疗
-光谱分析
-空间目标探测
微片激光器参数
ML-1064微片激光器采用半导体封装工艺,体积小巧,方便集成,有1064nm及倍频波长可选。
|
型号 |
ML-1064 |
|
波长 |
1064nm |
|
重复频率 |
<10kHz(可调) |
|
最大单脉冲能量 |
50μJ |
|
脉冲宽度 |
1-10ns(可调) |
|
光斑直径(μm) |
<150 @1/e^2 |
|
光束发散角 |
<6mrad |
|
光束质量M2 |
<1.3 |
|
偏振特性 |
>100:1 |
|
功率稳定性 |
≤3% |
|
系统功耗 |
≤10W |
|
工作温度 |
0-50℃ |
微片激光器应用领域
-种子源
-材料分析
-光声成像
-精密微加工

单频连续激光器规格参数
SFL-CW-1064单频连续激光器优势有稳定性好,光束质量优异和锁频稳定性优异。
|
型号 |
SFL-CW-1064 |
|
波长 |
1064nm |
|
重复频率 |
连续激光 |
|
线宽 |
<10MHz |
|
频率稳定性 |
<±5MHz@8hrs(锁频) |
|
最大功率 |
5W |
|
光斑直径(μm) |
<400@1/e^2 |
|
光束发散角 |
<3mrad |
|
光束质量M2 |
<1.2 |
|
偏振特性 |
>100:1 |
|
功率稳定性 |
≤1% |
|
系统功耗 |
≤200W |
|
工作温度 |
20-45℃ |
单频连续激光器应用领域
-非线性过程
-量子光学、量子信息
-冷原子物理
-光学测量、光谱
大能量微片纳秒激光器规格参数
ML-HE-ns-1064大能量微片纳秒激光器采用半导体封装工艺、体积小巧、方便集成。大能量微片纳秒激光器光束质量优异,可以定制比400μJ高的单脉冲能量。
|
型号 |
ML-HE-ns-1064 |
|
波长 |
1064nm |
|
重复频率 |
<10kHz(可调) |
|
最大单脉冲能量 |
400μJ |
|
脉冲宽度 |
1-10ns(可调) |
|
光斑直径(μm) |
<250 @1/e^2 |
|
光束发散角 |
<6mrad |
|
光束质量M2 |
<1.5 |
|
偏振特性 |
线偏振>100:1 |
|
功率稳定性 |
≤3% |
|
系统功耗 |
≤20W |
|
工作温度 |
0-50℃ |
大能量微片纳秒激光器的应用领域
-人眼安全测距
-大气环境监测
-水下成像
-扫描测绘
-拉曼光谱
紧凑型低重频纳秒激光器规格参数
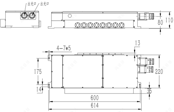
CL-LR-ns-1064紧凑型低重频纳秒激光器超级紧凑,采用光电一体化设计,工作温度0-80℃。
|
型号 |
CL-LR-ns-1064 |
|
波长 |
1064nm |
|
重复频率 |
1-100Hz(可调) |
|
最大单脉冲能量 |
50mJ |
|
脉冲宽度 |
<10ns |
|
光斑直径(mm) |
<3 @1/e^2 |
|
光束发散角 |
<3mrad |
|
光束质量M2 |
<1.5 |
|
功率稳定性 |
≤3% |
|
系统功耗 |
≤20W |
|
工作温度 |
0-80℃ |
紧凑型低重频纳秒激光器应用领域
-激光雷达探测
-烧蚀
-Libs过程控制
-质谱分析
上一篇:采用量子级联激光器搭建的LaserScan-XR中红外高光谱相机,5.5-12.5μm, Block Engineering
下一篇:自主品牌高重频高能量纳秒电光调Q板条激光器和低重频大能量纳秒板条激光器,重频1-100Hz/1KHz-10KHz