光束整形器,分束器,微透镜,离轴抛物面镜,NOIR激光防护眼镜,太阳能模拟器,显微镜载物台,激光器,光谱仪,红外热像仪,激光晶体
English购物车网站地图
服务热线:0755-84870203
中文English
服务热线:0755-84870203
您当前的位置:首页 > 技术中心 > 产品介绍

GRIN小尺寸激光线发生器,GRINTECH激光光线发生器GT,GT-LLGM-643-DA-FD线激光系列

作者:戴xl 时间:2025-11-05

GRINTECH 公司推出的GRIN小尺寸激光线发生器/GRINTECH激光光线发生器GT/GRINTECH激光线模块代表了微光学技术的最新突破。该产品基于先进的梯度折射率(GRIN)光学技术,通过精密的平面光学表面设计,能够将单模激光二极管发出的高斯光束高效地转换为均匀度极高的线性激光束。

GRIN小尺寸激光线发生器/GRINTECH激光光线发生器GT/GRINTECH激光线模块技术特点:超紧凑设计:模块尺寸仅为∅6.43mm×10.5mm重量轻至1.5g为空间受限的应用场景提供理想解决方案;优异的光学性能:具备约 ±8% 的线均匀性,实现衍射极限的聚焦尺寸;高传输效率:光学系统经过优化设计,确保90-95%的高效能量传输;灵活配置:支持多种发散角选择和可定制的聚焦距离

图:GRIN小尺寸激光线发生器/GRINTECH激光光线发生器GT/GRINTECH激光线模块

GRIN小尺寸激光线发生器/GRINTECH激光光线发生器GT/GRINTECH激光线模块应用领域:

-3D轮廓映射:为三维扫描和建模提供均匀的线状光源

-光学对准:在精密制造和装配过程中提供准确的基准线

-机器视觉:为工业检测和自动化识别系统提供照明解决方案

-生物医学:用于细胞分析、组织成像等生命科学应用


GRIN小尺寸激光线发生器/GRINTECH激光光线发生器GT/GRINTECH激光线模块标准选项:

1.线发散角(扇形角)可选角度范围:±10°,±15°,±20°。

2.线聚焦位置:聚焦位置可在80mm至无穷远(准直)之间指定。

3.标准红色激光二极管选项

型号

OD Laser – QLF063A-AA

波长λ

680nm

输出功率PL0

50mW

封装形式

TO-18(∅5.6mm封装)

驱动器

可根据需求提供

其他波长选项

520 nm 和 450 nm 波长可根据客户需求提供

4.输入激光光束规格(针对TO-18激光二极管):慢轴发散角9°(+1.5° / -0.5°)@ FWHM

图:GRIN小尺寸激光线发生器/GRINTECH激光光线发生器GT/GRINTECH激光线模块

光学规格

扇形发散角

±10°,±15°,±20°

聚焦距离

80 mm 至无穷远,高斯光束形状

焦点处线宽*

FWHM/距离=0.6μm/mm

远场发散角

取决于线宽,大致符合高斯光束定律

偏斜角

2°

传输效率

Peff/PL0=90%-95%

*焦点处线宽,示例说明:在200mm距离处,线宽约为120μmFWHM

注:生产过程的修改可能导致规格变动。用户需自行验证产品是否适用于其用途。

图:相对强度与发散角的关系,均匀性关系

机械规格

重量

1.5g

版本1尺寸

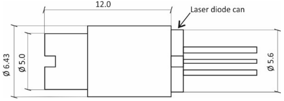
∅6.43 mm×12.0 mm

版本2尺寸

∅8.00 mm×12.0 mm

外壳材料

阳极氧化铝

环境规格

工作温度

C 50°C

输出功率PL0

-20°C 至 +70°C

封装形式

2g/20–500Hz(依据IEC68-2-6

驱动器

15g/6ms(依据IEC68-2-29

其他波长选项

根据应用和附加光学元件,最高可达3B

图:版本1尺寸外形图与实际测量数据

GRIN小尺寸激光线发生器/GRINTECH激光光线发生器GT/GRINTECH激光线模块订购信息

订购编码:GT-LLGM-643-DA-FD。具体解释如下:

GT-LLGM-643-DA-FD

GT

GRINTECH

LLGM

激光线发生器型号(Laser Line Generator Model

DIA

直径代码。643:表示∅6.43mm

DA

发散角代码。10:表示 ±10°;15:表示 ±15°;20:表示 ±20°

FD

聚焦距离。单位为毫米(mm),范围 80 mm 至无穷远。无穷远可用 "INF" 表示


产品导航 : 光束整形器分束器螺旋相位板微透镜阵列径向偏振片(S波片)红外观察仪激光防护眼镜显微镜载物台显微镜自动对焦量子级联激光器266nm激光器光斑分析仪光束质量分析仪激光晶体电控位移台主动被动隔震台太赫兹源太赫兹相机

友情链接 : 维尔克斯光电  中国供应商                                                                                                         中科光学


版权所有:深圳海纳光学有限公司 粤ICP备18089606号
电话:0755-84870203 邮箱:sales@highlightoptics.com