光束整形器,分束器,微透镜,离轴抛物面镜,NOIR激光防护眼镜,太阳能模拟器,显微镜载物台,激光器,光谱仪,红外热像仪,激光晶体
English购物车网站地图
服务热线:0755-84870203
中文English
服务热线:0755-84870203
您当前的位置:首页 > 技术中心 > 产品介绍

Opto diode雪崩光电二极管,ODD-APD-001/002/003,Si和InGaSe材质,高增益、低噪声

作者:郭sy 时间:2026-02-13

Opto Diode雪崩光电二极管APD系列可在400纳米至1700纳米的宽光谱范围内实现高增益、低噪声检测。该铟镓砷雪崩光电探测器APD采用气密密封设计,具有快速响应和卓越灵敏度,低噪声APD非常适用于激光雷达、激光测距、光谱分析、光通信及科学仪器等严苛应用。低噪声APD提供铟镓砷(InGaAs)和硅(Si)两种材料型号,可满足可见光、近红外(NIR)及短波红外(SWIR)的检测需求。

铟镓砷雪崩光电探测器:高增益与低噪声性能特点

-高增益灵敏度

-低噪声性能

-快速响应

Opto Diode雪崩光电二极管APD应用领域

-激光雷达与激光测距

-光谱分析与科学仪器

-自动驾驶与安全传感

-自动驾驶车辆障碍物检测

-自由空间光学通信

-光学速度测量

InGaSe雪崩光电二极管型号/编号

零件编号

描述

有效面积

认证和合规性

ODD-APD-003-1550-IGA-T46

ODD-APD-001

铟镓砷雪崩光电二极管900nm-1700nm

0.31mm2

ROHS Reach

ODD-APD-020-905-SI-T46

ODD-APD-002

硅雪崩光电二极管

400-1100nm

0.2mm2

ROHS Reach

ODD-APD-020-1064-SI-T46

ODD-APD-003

硅雪崩光电二极管

400-1100nm

0.2mm2

ROHS Reach


ODD-APD-001铟镓砷雪崩光电探测器在在25°下的电光特性

铟镓砷雪崩光电二极管参数

测试条件

Min

Typ

Max

单位

有效面积

Ø0.2mm

0.031

mm2

响应波长

-

900-1700nm

铟镓砷雪崩光电二极管响应

λ=1550nm, M=1

0.9

1.0

-

A/W

VOP (Gain = M)

λ=1550nm, M=10

32

-

50

-

λ=1550nm, M=30

34

-

50

-

暗电流,ld

M=10

-

8.0

50.0

nA

M=30

-

8.0

50.0

nA

-3dB截止频率(带宽)

M=10, RL=50W

0.6

1.25

-

GHz

电容C

M=10, f=1MHz

-

1.8

2.0

pF

温度系数

IR=10uA,-55°C~ 85°C

0.07

0.11

0.15

V/°C

封装

-

TO-46

-

ODD-APD-001铟镓砷雪崩光电探测器热参数

铟镓砷雪崩光电探测器参数

Min

MAX

单位

低噪声APD供电电压

-

VBR

V

工作温度

-40

+85

°C

存储温度

-55

+125

°C

正向电流IF

-

5

mA

反向电流IR

-

3

mA

引线焊接温度

-

260

°C


InGaSe雪崩光电二极管典型增益与反向偏置图


铟镓砷雪崩光电二极管典型暗电流与反向偏置的关系



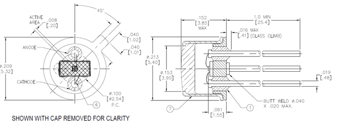
尺寸单位为英寸(公制)

ODD-APD-002硅雪崩光电二极管APD25°下的电光特性

参数

测试条件

Min

Typ

Max

单位

有效面积

Ø0.5mm

0.2

mm2

响应波长

-

400-1100nm

响应

λ=905nm, M=1

0.5

0.55

-

A/W

VOP (Gain = M)

λ=905nm, M=100

95

-

209

V

λ=905nm, M=30

34

-

50

V

暗电流,ld

M=100

0.2

0.4

1.0

nA

上升时间,ts

λ=905nm, f=1MHz,RL=50Ω

-

0.5

1.5

nS

电容C

M=100, f=1MHz

-

1.2

pF

温度系数

IR=10uA,-40°C~ 85°C

0.9

V/°C

反向击穿电压

IR=10µA

100

-

200

V

封装

-

TO-46

-

ODD-APD-002硅雪崩光电二极管APD热参数

硅雪崩光电二极管APD参数

Min

MAX

单位

APD供电电压

-

0.95*VBR

V

工作温度

-45

+85

°C

存储温度

-45

+100

°C

正向电流IF

-

5

mA

引线焊接温度

-

260

°C


典型增益与反向偏置图



典型暗电流与反向偏置的关系

Opto diode雪崩光电二极管ODD-APD-003在在25°下的电光特性

InGaSe雪崩光电二极管参数

测试条件

Min

Typ

Max

单位

有效面积

Ø0.5mm

0.2

mm2

响应波长

-

400-1100nm

响应

λ=1064nm, M=1

0.3

0.36

-

A/W

VOP (Gain = M)

λ=1064nm, M=100

332

-

437

V

暗电流,ld

M=100

-

5.0

12.0

nA

上升时间,ts

λ=1064nm, f=1MHz,RL=50Ω

-

2.0

-

nS

电容C

M=100, f=1MHz

-

2.5

4.0

pF

温度系数

IR=10uA,-40°C~ 85°C

-

2.4

3.0

V/°C

反向击穿电压

IR=10µA

350

-

460

V

封装

-

TO-46

-

Opto diode雪崩光电二极管ODD-APD-003热参数

参数

Min

MAX

单位

APD供电电压

-

0.95*VBR

V

工作温度

-45

+85

°C

存储温度

-45

+100

°C

正向电流IF

-

5

mA

引线焊接温度

-

260

°C


典型增益与反向偏置图


典型暗电流与反向偏置







产品导航 : 光束整形器分束器螺旋相位板微透镜阵列径向偏振片(S波片)红外观察仪激光防护眼镜显微镜载物台显微镜自动对焦量子级联激光器266nm激光器光斑分析仪光束质量分析仪激光晶体电控位移台主动被动隔震台太赫兹源太赫兹相机

友情链接 : 维尔克斯光电  中国供应商                                                                                                         中科光学


版权所有:深圳海纳光学有限公司 粤ICP备18089606号
电话:0755-84870203 邮箱:sales@highlightoptics.com