光束整形器,分束器,微透镜,离轴抛物面镜,NOIR激光防护眼镜,太阳能模拟器,显微镜载物台,激光器,光谱仪,红外热像仪,激光晶体
English购物车网站地图
服务热线:0755-84870203
中文English
服务热线:0755-84870203
您当前的位置:首页 > 技术中心 > 产品介绍

LC专为需求检测短波紫外信号的生物医学应用,SUR500雪崩光电二极管介绍,UV波段敏感APD

作者: 时间:2025-12-25

Laser ComponentsSUR系列探测器基于硅"穿透式"结构,在紫外波段具有高灵敏度。众多医疗与生物医学领域的应用(如荧光检测、分析设备或闪烁体测量)均需在短波长范围使用高灵敏度探测器。该硅雪崩光电二极管基于创新的穿透式结构,紫外敏感APD在紫外波段实现超高灵敏度和低噪声性能。其核心优势包括:紫外波段量子效率极高、噪声水平极低、500μm直径有效感光区域,以及UV优化的密封TO-46封装,确保在严苛应用中稳定运行。紫外增强雪崩光电二极管与UV波段敏感APD的核心优势在于其在蓝光波段具备极高的灵敏度与低噪声性能,显著优于目前市场上同类产品。SUR系列APD产品适用于高速光度测定等场景,其性能远超市场同类产品。

Laser Components紫外敏感APD产品特点:

紫外波段量子效率极高

低噪声特性

有效感光区域直径500微米

紫外优化型密封封装


SUR系列APD应用领域:

荧光检测

分析仪器

医疗设备

闪烁体测量

高速光度测定


SUR系列APDSUR500绝对最大额定值:

参数

SUR500

最小值

典型值

最大值

存储温度(°C)

-55

100

工作温度(°C)

-40

85

CW反向电流(pA)

200

1秒反向电流(mA)

1

CW正向电流(mA)

5

1秒正向电流(mA)

50

最大功耗(mW)

60

15秒焊接温度(°C)

260


紫外增强雪崩光电二极管/UV波段敏感APD电气特性@M=100,Id=10μA

参数

SUR500

最小值

典型值

最大值

波长范围(nm)

260

1000

有效感光区域直径(mm)

0.5

击穿电压(V)

100

200

300

260/300/350/400/650nm响应度(A/W)

21/22/25/28/44

280/300/350/400nm噪声等效功率(fW/Hz)

22/20/18/16

温度系数(V/K)

0.9

暗电流(pA)

200

噪声电流(pA/Hz)

0.5

电容(pF)

1.4

@M=100,400nm,RL=50Ω上升时间(nsec)

2

截止频率(MHz)

150

紫外增强雪崩光电二极管/UV波段敏感APD技术图表:

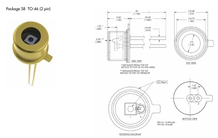
Laser Components紫外敏感APD封装:

产品导航 : 光束整形器分束器螺旋相位板微透镜阵列径向偏振片(S波片)红外观察仪激光防护眼镜显微镜载物台显微镜自动对焦量子级联激光器266nm激光器光斑分析仪光束质量分析仪激光晶体电控位移台主动被动隔震台太赫兹源太赫兹相机

友情链接 : 维尔克斯光电  中国供应商                                                                                                         中科光学


版权所有:深圳海纳光学有限公司 粤ICP备18089606号
电话:0755-84870203 邮箱:sales@highlightoptics.com