
剑桥62xxK和8320K检流计振镜是Novanta旗下Cambridge Technology剑桥技术公司设计的,62xxK和83xxK检流计(英文名:Galvanometers)波长覆盖355-10600nm,带宽涂层350nm–12μm。剑桥检流式振镜62xxK和8320K采用专有设计,具备扫描精度高、速度快、可靠性强的特点,每个电机都针对各种镜面尺寸进行了优化。Cambridge Technology检流振镜_62xxK & 8320K主要应用于微加工、激光焊接和激光治疗等方面,这款Cambridge检流振镜是具备高性价比和高配置的剑桥振镜,是用户的理想选择。
所属品牌: 美国Novanta
应用类型:
产品型号:6200K,8300K,6210K,8310K,6215K,8315K,6220K,8320K,6230K,8330K,6231K,8331K,6240K,8340K,6250K,8350K,6260K,8360K
负责人:韦工
联系电话:18927460030
电子邮箱:bqwei@welloptics.cn
精度高、速度快、355-10600nm,Cambridge检流振镜_62xxK & 8320K
剑桥62xxK和8320K检流计振镜由美国Novanta旗下的Cambridge Technology技术公司开发和设计的,Cambridge
Technology检流振镜_62xxK & 8320K具有速度快、可靠性高、分辨率高和热稳定性高等特点,可满足最苛刻的高精度应用要求。其中,每个电机都结合了动磁执行器技术和剑桥科技独有的位置检测器,这项专利技术在实现同类产品中最快扫描速度的同时还能够保持稳定定位。62xxK和83xxK系列采用专有设计,实现了快速、精确的光学扫描,每个电机都针对各种镜面尺寸进行了优化。
剑桥检流式振镜62xxK和8320K各自具备不同的性能和应用,其中,62xxK剑桥振镜为了需要高性能的工作配备了适用于各种应用的卓越漂移机械装置,无论是速度、精度、占地面积还是价格,都能提供性能和价值兼具的各种配置;而8320K检流计(Galvanometers)振镜具有更低的漂移,非常适合需要精确特征的应用,如微加工和依赖稳定性的大型现场应用。
图1:Cambridge Technology检流振镜_62xxK & 8320K
剑桥62xxK和8320K检流计振镜主要特点:
- 为价值驱动的应用程序实现可靠性
- 业界最快的电机速度,提供最大吞吐量和长期可靠性
- 满足各种应用扫描需求的高精度输出
- 坚固的设计使产品在较长的使用寿命内保持稳定
- 紧凑型机型占地面积小,易于集成到狭小空间中
- 有多种反射镜尺寸(3至50mm)和涂层可供选择
剑桥62xxK和8320K检流计振镜的优势:
高性能
- 业内最快的电机速度,提供低漂移和长期稳定性
- 卓越的精度和准确性确保高质量扫描
选项多而灵活
- 各种孔径尺寸和镜面涂层
- 结构紧凑,占地面积小,能够在小空间易于集成
- 提供从高性能到高性价比的各种产品
剑桥检流式振镜62xxK和8320K主要应用:
- 微机械加工
提供广泛的振镜电机配置选择,以满足微加工应用的苛刻要求,另外,剑桥科技的Cambridge检流振镜产品在精度、准确度和产量方面毫不逊色。
- OCT
在OCT应用中,检流式振镜是成像、速度和可重复性的行业标准。Cambridge Technology专有的扫描技术可帮助客户在系统性能和长期使用方面实现差异化。
- 加工和焊接
对于需要灵活性和高速度的加工应用,剑桥科技的62xxK和83xxK系列凭借其坚固耐用的电机和机械设计,可在高速下实现稳定的切割和焊接。
- 标记和编码
在要求激光加工系统具有多功能性的打标和编码应用中,无论工作规模大小,XY振镜都具有速度快、精度高和可靠性强的特点。
图2:高功率焊接(左),微机械加工(中),激光治疗(右)
剑桥检流式振镜62xxK和8320K规格参数:
|
规格 |
6200K 8300K |
6210K 8310K |
6215K 8315K |
6220K 8320K |
6230K 8330K |
6231K 8331K |
6240K 8340K |
6250K 8350K |
6260K 8360K |
|
光圈尺寸 |
3-7mm |
3-7mm |
3-7mm |
5-10mm |
8-15mm |
8-5mm |
12-25mm |
25-75mm |
30-100mm |
|
波长 |
355nm/532nm/1030nm-1080nm /9.4μm-10.6μm 带宽涂层: 350nm–12μm |
||||||||
|
最大扫描角度 |
40° |
||||||||
|
兼容伺服驱动器 |
模拟系列:671, 672, 673 | 数字系列:DC900、DC3000 Plus |
||||||||
|
转子惯性(gm-cm2,±10%) |
0.013 |
0.018 |
0.028 |
0.125 |
0.97 |
0.82 |
2.4 |
15.6 |
47.5 |
|
扭矩常数(dyne·cm/amp, ±10%) |
1.2x104 |
2.79x104 |
3.78x104 |
6.17x104 |
1.31x105 |
1.11x105 |
2.0x105 |
7.08x105 |
8.5x105 |
|
转子最高温度 |
110°C |
||||||||
|
热阻 (转子到外壳) |
3.8°C/W |
2.0°C/W |
1.0°C/W |
1.0°C/W |
0.8°C/W |
1.0°C/W |
0.62°C/W |
0.035°C/W |
0.2°C/W |
|
线圈电阻(ohms,±10%) |
2.14 |
3.7 |
2.5 |
2.79 |
1.07 |
1.27 |
1.03 |
1.69 |
0.60 |
|
线圈电感 (μH,±10%) |
52 |
109 |
94 |
180 |
173 |
176 |
350 |
1030 |
530 |
|
反向EMF电压 (μV/°/s,±10%) |
20.9 |
48.7 |
66 |
108 |
229 |
195 |
346 |
1220 |
1480 |
|
RMS电流(A at case = 50°C,max) |
2.3 |
2.4 |
4.1 |
3.9 |
7.1 |
5.8 |
8.2 |
7.1 |
12 |
|
峰值电流(A,max) |
6 |
8 |
20 |
20 |
25 |
25 |
25 |
20 |
40 |
|
重量 |
13.3g |
18g |
25.8g |
42.5g |
267g |
142g |
356g |
590g |
1200g |
|
位置探测器Position Detector |
|||||||||
|
线性 |
99.9% minimum, over 20° |
||||||||
|
99.5% typical, over 40° |
|||||||||
|
短期重复性 |
8 µrad |
||||||||
|
共模输出信号 |
在AGC电流为25 mA时,达到155µA(±25%) |
||||||||
|
差分模式输出信号 |
共模电流为155µA时为12μA/°(±5%) |
||||||||
|
62xxK vs. 83xxK |
|||||||||
|
刻度偏移(最大值) |
62xxK: 50 ppm/°C |
83xxK: 15 ppm/°C |
|||||||
|
零漂移 (最大值) |
62xxK: 15 μrad/°C |
83xxK: 5 μrad/°C |
|||||||
注:除非另有说明,所有角度均为机械角度,尺寸单位为毫米,所有规格如有变更,恕不另行通知。
参考文献
1、0.1°步距,稳定在最终位置的99%以内,需要剑桥技术伺服板
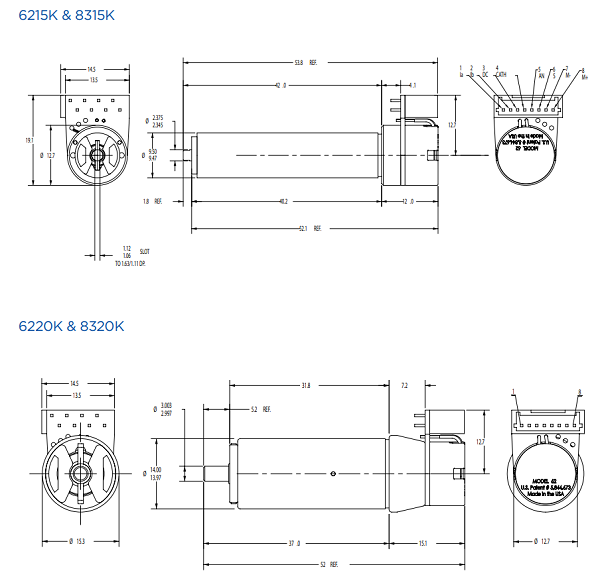
Cambridge Technology检流振镜_62xxK & 8320K各个型号的详细图示:




注:除非另有说明,否则所有角度均为机械角度。尺寸单位为毫米。所有规格如有变更,恕不另行通知。
参考文献
1. 型号6260KA和8360KA只有"A"连接器类型,其他所有型号均有其他连接器可供选择。