
滨松Hamamatsu有一款QCL超快红外探测器P16309-01,响应带宽为20GHz (-3 dB),波长4.65um,还可称为20GHz超快红外探测器、4.65μm探测器,QCL激光探测器和量子级联激光探测器(Quantum Cascade Photodetector)。量子级联激光超快光电探测器20GHz安装简单,并且20GHz红外探测器在工作时无偏压,无需冷却,因此这款QCL红外探测器不需要外部电源。QCL激光红外探测器的接口类型是SAM,将入射光引向内部聚焦透镜,这款量子级联光电检测器可用于异频检测和高频/高时间分辨率测量等应用。
所属品牌: 亚洲厂商
应用类型:
产品型号:P16309-01
负责人:韦工
联系电话:18927460030
电子邮箱:bqwei@welloptics.cn
响应频率范围(-3dB):DC至20GHz,4.65µm,QCL超快红外探测器
滨松Hamamatsu有一款QCL超快红外探测器P16309-01,响应带宽为20GHz (-3 dB),波长为4.65um,工作时无偏压,无需冷却,因此不需要外部电源。这款QCL红外探测器安装只需两个简单的步骤:将SMA接头连接到测量仪器(示波器等),然后将入射光引向内部聚焦透镜。这款QCL激光探测器还可称为20GHz超快红外探测器和量子级联光电检测器(Quantum Cascade Photodetector)。
量子级联激光探测器P16309-01图示
中红外兆赫探测器(20GHz红外探测器)Mid-IR Gigahertz detector主要参数表:
|
型号 |
波长范围(um) |
峰值波长(um) |
有效区域 |
峰值波长时的 NEP(MAX) (W/Hz1/2) |
频率响应 |
Notes |
|
P16309-01 |
3.5-5.4 |
4.65 |
4.5mm dia |
1.00E-09 |
DC->18 GHz |
3 |
Notes 3:这款4.65μm探测器无需电源,信号通过客户提供的SMA电缆传输,需要客户提供放大器,可选放大器包括Becker & Hickl HFAH-20m 500kHz至2.9GHz和Keysight 83006A, 10MHz至26.5GHz。
QCL超快红外探测器P16309-01特点:
- 响应频率超过20GHz的超快红外光电探测器
- 响应频率范围(-3dB):DC至20GHz
- 峰值灵敏波长:4.65µm
- 光灵敏度:1mA/W(典型值)
- 无需冷却和操作偏置
QCL超快红外探测器P16309-01应用:
- 异频检测
- 高频/高时间分辨率测量
量子级联激光超快光电探测器20GHz规格General ratings:
|
参数 |
描述 |
单位 |
|
接口类型 |
SAM |
- |
|
冷却 |
非冷却式 |
- |
|
透镜 |
电容透镜 |
- |
|
光圈 |
直径4.5 |
mm |
|
偏振方向 |
标识*2 |
- |
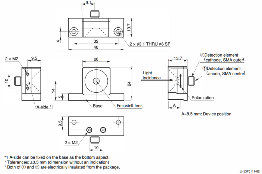
*1 必须对入射光进行聚光
*2 见"图4"
量子级联激光超快光电探测器20GHz的最大绝对额定值Absolute maximum ratings:
|
参数 |
Symbol |
参数 |
单位 |
|
起始温度*1 |
Topr |
-10 - +50 |
℃ |
|
存储温度*1 |
Tstg |
-10 - +50 |
℃ |
|
入射光亮度 |
Pmax |
1 |
W/cm2 |
*1 无冷凝
* 运行时无需偏压
* 环境温度:Ta=25°C
量子级联激光超快光电探测器20GHz的电子和光学特性:
|
参数 |
Symbol |
条件Condition |
最小Min. |
典型Typ |
最大Max. |
单位Unit |
|
峰值灵敏波长 |
λp |
- |
4.60 |
4.65 |
4.70 |
um |
|
光敏感性 |
S |
λ=λp,f0=800Hz, Δf=1Hz |
0.5 |
1.0 |
- |
mA/W |
|
检测能力 |
D* |
λ=λp,f0=800Hz, Δf=1Hz |
8.0X108 |
1.5X109 |
- |
cm·Hz1/2/W |
|
等效噪声功率 |
NEP |
λ=λp,f0=800Hz |
- |
3.0X10-10 |
1.0X10-9 |
W/Hz1/2 |
|
截止频率 |
fc |
-3dB down, Zi=50Ω |
18 |
20 |
- |
GHz |
|
接线端电容 |
Ct |
f=1MHz |
- |
1.1 |
1.5 |
pF |
|
并联电阻 |
Rsh |
Vmeas=10mV |
70 |
90 |
110 |
kΩ |
*环境温度:Ta=25°c
QCL激光红外探测器P16309-01曲线图:
图1:频谱响应(示例) 图2:响应频率(示例)
图3:超短脉冲波形测量
测量配置
QCL激光红外探测器P16309-01尺寸图示:
图4:尺寸(单位:mm)