
日本Shibuya有限远生物显微镜物镜,专为160mm机械筒长系统设计。提供FA2X(2×)/FA10XN(10×)等2-10倍多规格选型,其中FA2X工作距离达72mm,FA10XN数值孔径为0.25,兼顾超长工作空间与高分辨率成像。适用于生物研究、工业质检与教学实验,是性价比卓越的显微观察解决方案
所属品牌: 日本Shibuya
应用类型:
产品型号:FA2X,FA4XN,FA5X,FA6X,FA10XN
负责人:肖振宇
联系电话:13622396712
电子邮箱:team5@welloptics.cn
2-10×,160mm有限远生物显微镜物镜FA2X,FA4XN,FA5X,FA6X,FA10XN
日本Shibuya品牌用于有限远校正光学系统显微镜的物镜系列,该系列提供从2倍到10倍的多种标准倍率(型号包括FA2X, FA4XN, FA5X, FA6X, FA10XN),专为基于160mm机械筒长的标准有限远光学系统显微镜设计。此系列物镜凭借其卓越的光学性能与灵活的配置选项,成为常规显微观察应用中高性价比的理想选择,可广泛应用于生物研究、工业质检及教学实验等多个领域。
Shibuya FA2X,FA4XN,FA5X,FA6X,FA10XN有限远160mm显微镜物镜核心性能优势与灵活选型
-涩谷光学有限远160mm显微镜物镜的核心设计理念在于兼顾工作距离与成像分辨率的双重需求,为用户提供灵活的选型空间。
-有限远160mm显微镜物镜具有超长工作距离,拓展操作空间:其中的2倍物镜(FA2X)拥有长达72mm的超长工作距离。这一特性为需要在物镜上方进行显微操作(如微注射、探针测试)或观察体积较大的样品提供了无与伦比的便利性,有效避免了物镜与样品或装置的碰撞风险。
-生物有限远物镜有高数值孔径,提升成像品质:而10倍物镜(FA10XN)则配备了0.25的较高数值孔径(NA)。数值孔径是决定物镜分辨率和集光能力的关键指标,这意味着FA10XN能够在中等放大倍率下,为您呈现更清晰、更明亮、细节更丰富的图像。
-可靠兼容性与规格统一性,涩谷物镜均严格遵循160mm机械筒长的国际标准,确保了与市面上绝大多数有限远显微镜光路的完美兼容,升级或更换设备简单便捷。同时,涩谷物镜均采用精密的螺纹接口与坚固的金属镜体结构,在保证光学对准精度的同时,也提供了长期的机械稳定性。
涩谷光学160mm有限远生物显微镜物镜, 160mm有限远物镜典型应用场景:
-生命科学研究:常规的生物细胞、组织切片观察。
-工业制造与质检:电子元件的检查、材料表面分析。
-高等教育与科研:实验室教学演示及基础科研工作。
-无论您是需要大空间进行操作,还是追求高清晰度成像,Shibuya的这款有限远物镜系列都能为您提供可靠的解决方案。
Shibuya160mm有限远生物显微镜物镜、160mm有限远物镜技术参数表:
|
型号 |
FA2X |
FA4XN |
FA5X |
FA6X |
FA10XN |
|
倍率 |
2倍 |
4倍 |
5倍 |
6倍 |
10倍 |
|
工作距离 WD |
72mm |
18mm |
13mm |
18mm |
8.5mm |
|
数值孔径 NA |
0.05 |
0.10 |
0.10 |
0.10 |
0.25 |
|
焦距 F |
53mm |
30.88mm |
27mm |
22.6mm |
17.1mm |
|
机械筒长 |
160mm |
160mm |
160mm |
160mm |
160mm |
|
质量 |
35g |
45g |
50g |
50g |
75g |
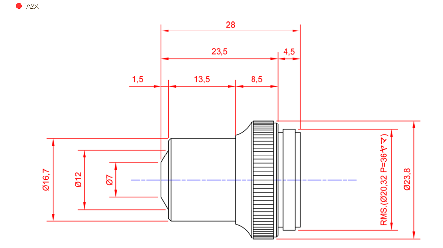
涩谷光学160mm有限远物镜、生物有限远物镜FA2X,FA4XN,FA5X,FA6X,FA10XN外形图: